Hvordan man dirigerer og installerer engleøjne på VAZ 2106
Prez de sidste år af t.nar engleøjnespolzvani kato dnizhny svetlina, se prevarnaha i en masse populære landskaber for understreget på billedet af ejeren af bilen. Men til fortrydelse er ikke alle modeller og mærker af biler udstyret med tyah vbv-fabrikation. Lad os se på det så godt du kan og instruere det selv og installere engleøjne på VAZ 2106.
Indeslutning: 1. Ret dig selv engleøjne mod stangen 2. Muligheder for Forbered moduler 3. Lovlighed ved installation 4. Video
Ret dig selv engleøjne mod stangen
Jeg har mange muligheder for at arbejde på engleøjne til installation af en forlygte på en VAZ 2106, opfundet af en bilist. Vi begraver nogle med nai-simple og nai-budget.
Hvordan ja si direkte to LED engleøjne
For ja, ret strukturen til strukturen og følg materialet:
- 8 LED-lys med en diameter på 5 mm med radiale ledere.
- 4 modstande med en modstand på 2 kOhm og en effekt på 0,25 W.
- 4 cirkler af gennemsigtigt organisk glas med en længde på 50 cm og en diameter på 8-10 mm.
- 4 nye briller fra forlygten VAZ 2106 - 2 lange og 2 lysstreger.
- Fugemasse
- 12V spændingsregulator er beskyttet af LED.

Materialer, som er nødvendige for at dirigere, tilgive engleøjne
Forbered følgende fra instrumentet:
- Hacksav til metal eller brædder fra det.
- To flåter.
- Kr'gl dornik med en diameter på 104-110 mm (to hundrede gram kutia opløselig cafe er ideel).
- Golyam tigan eller tenjera med brusende vand.
- Pistolen var sørgeligt skulptureret.
Ako alt er klar, togawa du kan gemme det.Stamp prachkataen i vryashcha-vandet og den gamle skål med omekne, med to tang vil jeg se om forberedelsen af dorniken.

Arbejd på væggen for engleøjne
Køl sporet af katoen ned, køl det ned, jeg slipper af med dorniken og skærer kanterne af med en hacksav, så der er 5 mm afstand mellem båndene.

Izviti blank og afsluttet tak for engleøjne
Nu er der to åbninger med en diameter på 5,5 mm og et hul på 7-8 mm i kanterne på prachkata. For ja, installer LED'er i disse huller, brug enhver gennemsigtig nitro-lak - ikke kun fikser sigurno-halvlederen, men ret også væggen på dup-sættet glattere og derfor mere gennemsigtig.
Lod parallelt med LED'erne og lod lederne fra forskellige farveblokke: ellers understøttes polariteten, når den er forbundet med strukturen af bordeauxnet.
Kend på forhånd polariteten på halvlederlederne og gipsen, så efter installationen, ledning på anoden og katoden og kan forårsage lodning.

Åbning til kanterne på en trbat og et engleøje med et LED-beslag
Forlad den sidste finish: fliser (0,5 mm) pakket i henhold til tsyalat-længden på væggen med et interval på 5-7 mm. Ako perverterer alle ulykkerne ved operation 4 fem, så kan vi antage, at du forbereder engleøjne til installationen i farovet.

Szdavane til at skære og forberede engleøjne til VAZ 2106 på arbejdstid
For ja, send kammeraten, farovete mere trjabva yes bdat premahnati og stakloto varhu tyah, sammenflettet med parsali, det er chupeny - foresty, otkolko og otkasnete stakloto fra forseglerens bakker.
Gå videre og mærk glasset, tag det ikke væk og se, hvilke der er lyse i lang tid, og hvilke der er lyse i lang tid.
Sæt engleøjnene i nyt glas med et snit på glasset og gi zalepte med en pistol til støbning eller forsegling. På et bestemt tidspunkt er fordybningerne i gornat ofte på reflektoren: hvis du starter, gem lederne der. Når forseglingen er forseglet, smøres kanterne på reflektoren og glasset er godt, et spor af noget presses tæt sammen, indtil forseglingen er helt syet. Du kan spytte det ud, så splatteren ikke er et glas, men en reflektor, men i dette tilfælde skal du bruge en sealer, denne kato toplinniyat pistol er magtesløs mod målene og studen metal.

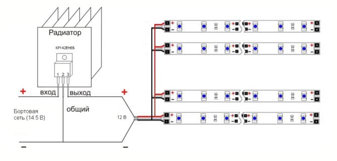
Sglobyavane på forlygten Angel Eyes
Lad og installer farovete på jorden, uden og barkat langt væk fra dine kære, og lad ordningen være enkel:

Skema om forbindelsen til engleøjnene til VAZ 2106 km bordeaux mesh gennem stabilisatoren KR142EN8B
Printpladen er udstyret med en lille radiator eller fastgjort direkte til køretøjet.
Engleøjne på LED-strimmel
Disse engleøjne ser meget mere effektivt ud end det tidligere design, men skarpt og endda mærkeligt er det ikke så svært at træne. For Tazi-versionen på DRL (Daylight Lines) skal du følge materialerne:
- LED strip (SL) lyste (2 m).
- 4 plexiglasbeslag med højre sektion (8x10x500 mm).
- 4 nye briller fra forlygten VAZ 2106 - 2 lange og 2 lysstreger.
- Fugemasse
- 12V spændingsregulator er beskyttet af LED.
Brug de nødvendige værktøjer til det tidligere design: en hacksav til metal, to tænger, en dorn med en diameter på 104-110 mm, brændende vand, en pistol til skulptur.
Du vil lede væggen i begyndelsen: varm den op, hop i det kogende vand og fyr ilden i toppen af dorniken med to tang:

Arbejd på væggen for engleøjne
Klip overskydende masker af. Som et resultat vil du få noget som dette:

Forbered dig på at bede om engleøjne til VAZ 2106
Nu prøv ja fixirate LED tapeta vvarhu tezi pristeni. Velegnet til enhver bredde op til 8 mm for 12 V der var en udstråling (farve DRL mere provokirat problemer med CAT, men bedre for varer i dalen). For eksempel et bånd, sglobena op LED 5630, 5730, 2835 eller 5050 er monokromatisk, men sidstnævnte er lidt længere.
Klip 4 parchetter med den nødvendige længde fra båndet (til salg i undertråd fra 5 m), men tag det ikke, men skær SL langs toppen af sektionen (for alle 3 dioder). Ako parcetata vil have lidt mere end nødvendigt, mange problemer - tapeta kan fikseres øverst på væggen i en lille pokrivana. Åbninger omkring cirklen er ubehagelige for virkningen på engleøjne.
Forbered en termisk pistol og sæt SL på toppen af væggen med lysdioder og glas. Leko ogvaiki lentata, jeg vil spytte fra punktet af k'm prusten. Prikkerne kan til enhver tid placeres mellem LED'erne. Som et resultat får du på tova noget som:
På billedet sidder SL'eren fast i blodet, men produktet er en optisk illusion. Hele båndet sidder fast bag bunden på væggen med lysdioder og glas.
Endnu en gang, læs båndet, vær forsigtig og arbejd uden fanatisme. Toi se ogva er svagt på siden, men alligevel se ogva. Ako SL nabbne nyakde, lad det være klar - nyama kammerat og påvirke kvaliteten af spionen. I det modsatte tilfælde kan du beskadige ledningerne, og parcheto-tapen er stadig beskadiget.
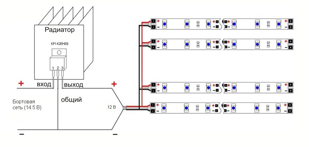
Når du synger, skal du lede SM SL, som vender polariteten (den placeres på båndet, når substraterne er i kontakt).Vsichki andre operationer sa kato i predishnata-konstruktionen (se på bjerget). Slip af med forlygten, vælt glasset, luk væggen op med en pistol eller sealer, slå forlygten af og sæt den på jorden. Diagrammet på linket til spionens teser ses også som følger:

Ordning på engleøjne, sglobena på LED-båndet
Og sådan ses resultatet af det færdige arbejde:

Sådan ser engleøjnene ud på dagens LED-bånd ...
...og i går aftes tilbage kjm sdzharzhanieto ↑
Muligheder for Forbered moduler
Hvis du ikke leder efter det og tager det fra højre til engleøjne, så kan du bruge det og tilberede mad, de sælger det. Nai - populær sa:
- Gasudledning (CCFL).
- Groupirani.
- LED.
Gasudledning
Det er konventionelle selvlysende rør, rettet under formatet på højre side. Ty kato takiva trbbi issquat højspænding og zapalvane, kjm stenite den er tændt hænger konvertersystemet bag starteren (inverteren).

Engleøjne med gasudledning
Klynge
Disse øjne er på en solid base, hvorpå der er påført en LED-matrix (COB-teknologi), rettet under formatet på en radial spiral. Disse øjne er beskyttet mod 12 V og ofte er 12-volts stabilisatoren tændt.

Klynger af engleøjne, ved hjælp af COB-teknologi
På SMD LED'er
Designet på disse spionenheder ligner dem, der bruges, når man arbejder med LED-tape oven på SMD-dioder. Gem det fra 12 V; en stabilisator kan være inkluderet i sættet.

Engleøjne på SMD LED'er tilbage kjm sdzharzhanieto ↑
Lovlighed ved installation
Hvor længe er det lovligt selvinstalleret på engleøjne, og er der nogen problemer med CAT? Engleøjne for at se dagslyset og søg derfor efter kum tah, sæt dig ned og spis:
- DRL følger med eller i stedet for lyslinjen og er udelukket, når lyslinjen er tændt i længere tid.
- Blomstre på forsiden af lyset, forskellig fra farovete for tågen, rysten endda slå ved enhver farvetemperatur, fra varme til iskolde.
Okazva se, kan du sætte hvide engleøjne? Men jeg er stadig en nuance. Ima razporedba "For utilladeligheden af udnyttelse på et køretøj med installation af diffusorer og lamper, hvilket ikke er forudset i designet på belysningsanordningen og tyahnat-optikken" og sætningen: "Betjening på transport af midler med en ændring, som er ikke forudsigelig ud fra designet er taget væk.”
Så du kan ikke? Muligvis, men bare skift din retning fra ministeren til specialiserede tjenester, som er underlagt overholdelse af licenser. Ifølge begyndelsen, ved at installere dit eget arbejde med engleøjne, tage risici og ødelægge ikke dig selv, men også retfærdigheden og administrere de fremragende midler i en periode på seks måneder til et år.
Vznikva spørger: hvorfor sælger de togawa? De sælger en masse ting: enheder til jamming på mobiltelefoner, aflytning, fløjtende pistoler, i stand til at samle brontosaur ... Salget af bataljonen og købet tages ikke væk, men brug det på eget ansvar.
Tova, måske bi, e vsichko for engleøjne. Aco ste læs omhyggeligt tazi artiklen, du kan skovbrug og dirigere din egen indstilling på forlygten, kato direkte og installere tosi den originale type dagslys linje i ty.
Video
PredishnaDekorativ belysning og tuningNæsteDekorativ belysning og tuning Sådan installeres Angel Eyes på Prior
